各种石材费用计算
日期:2025-12-11 / 人气: / 作者:四度空间设计
石材因其复杂的加工工艺,产生多种不同的加工价格,在报价产生巨大的价格差异,我们必须了解不同的加工方式产生的各种费用。
一、规格石材
举例说明:
按照石材石材幕墙通常做法,厚度通常有18mm、25mm、30mm三种,以此三种情况为例,说明计算材料价格的过程:
一、石材荒料要经过切割,加工成可以利用的形状及厚度,按18mm,锯材缝8mm,则每立方米荒料可以出材1000÷(18+8)=38.46平米。
二、荒料价格通常6000元/立方米,大切考虑80元/㎡的切割费,则成本价为6000÷38.46=156元/㎡,加切割费后为156+80=236元/㎡。
三、石材板块由于规格大小不同,都存在切裁利用率的问题,一般取90%,考虑切裁损耗的影响,成本价应为236÷90%=262元/㎡.
四、石材厂家一般要考虑15%~30%不等的利润,若按15%计算,厂家报价应该是262÷85%=308元。
五、石材运费18mm石材8~10元/㎡,25mm石材14~16元/㎡,30mm石材18~23元/㎡,均考虑一次装卸,高低费用的选择主要看工程所在地离加工地点的远近。
例如25mm石材价格为:1000÷(25+8)=30.30㎡;6000÷30.30=198元/㎡;198+80=278元/㎡;278÷90%=309元/㎡;309÷85%=363元/㎡,考虑运费后363+14=377元/㎡。
例如30mm石材价格为:1000÷(30+8)=26.31㎡;6000÷26.31=228元/㎡;228+80=308元/㎡;308÷90%=342元/㎡;342÷85%=402元/㎡,考虑运费后402+18=420元/㎡。
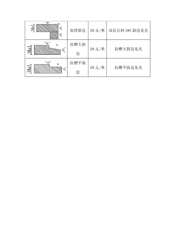
二、石材加工费











一、规格石材举例说明:
按照石材石材幕墙通常做法,厚度通常有18mm、25mm、30mm三种,以此三种情况为例,说明计算材料价格的过程:
一、石材荒料要经过切割,加工成可以利用的形状及厚度,按18mm,锯材缝8mm,则每立方米荒料可以出材1000÷(18+8)=38.46平米。
二、荒料价格通常6000元/立方米,大切考虑80元/㎡的切割费,则成本价为6000÷38.46=156元/㎡,加切割费后为156+80=236元/㎡。
三、石材板块由于规格大小不同,都存在切裁利用率的问题,一般取90%,考虑切裁损耗的影响,成本价应为236÷90%=262元/㎡.
四、石材厂家一般要考虑15%~30%不等的利润,若按15%计算,厂家报价应该是262÷85%=308元。
五、石材运费18mm石材8~10元/㎡,25mm石材14~16元/㎡,30mm石材18~23元/㎡,均考虑一次装卸,高低费用的选择主要看工程所在地离加工地点的远近。
例如25mm石材价格为:1000÷(25+8)=30.30㎡;6000÷30.30=198元/㎡;198+80=278元/㎡;278÷90%=309元/㎡;309÷85%=363元/㎡,考虑运费后363+14=377元/㎡。
例如30mm石材价格为:1000÷(30+8)=26.31㎡;6000÷26.31=228元/㎡;228+80=308元/㎡;308÷90%=342元/㎡;342÷85%=402元/㎡,考虑运费后402+18=420元/㎡。
二、石材加工费











热门内容 Popular Content
- 会所设计重点02-03
- 酒店的八种类型12-11
- 个性家居设计-清水之家12-11
- 意境东方-最美新中式12-11
- 度假酒店设计流程(二)设计团队12-11
- EAST-亚洲风餐厅设计12-11
最新内容 Latest Content
- 噪音对办公有哪些影响?12-19
- 办公室设计第一要务是什么?12-19
- 开放式办公区的优缺点12-18
- 二次装修需要消防报审吗?12-18
- 总经理办公室设计的几个重点12-17
- 常见的几种办公室吊顶方式12-15

